Aim
To design a circuit that detects darkness using an LDR (Light Dependent Resistor).
Components Required
- LDR (Light Dependent Resistor)
- BD140 Transistor (PNP)
- 2.7 kΩ Resistor
- LED (4V)
- 4V Battery
Functions of Components
LDR
The LDR is a light-sensitive resistor. Its resistance changes based on light intensity. When light falls on it, resistance decreases, and when it is dark, resistance increases.
BD140 Transistor
BD140 is a PNP transistor commonly used in amplifier and switching applications. In this circuit, it acts as a switch to control the LED.
![]()
LED
The LED acts as an indicator. It glows in darkness and turns OFF when light is detected by the LDR.
Battery and Resistor
The battery provides the power supply, while the resistor limits current and protects the circuit components.
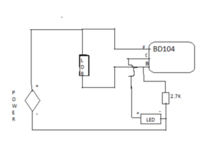
Construction and Connections
- Connect the LDR between the emitter and base of the transistor.
- Connect the 2.7 kΩ resistor between the base of the transistor and the negative terminal of the LED.
- Connect the LED between the collector of the transistor and the resistor.
- Connect the positive terminal of the battery to the emitter of the transistor.
- Connect the negative terminal of the battery to the resistor.
Working Principle
When the circuit is powered, the LED glows in the absence of light (dark condition). When light falls on the LDR, its resistance decreases. This changes the base current of the transistor, reducing the overall current flow through the LED. As a result, the LED turns OFF. Thus, the circuit detects darkness: the LED glows in the dark and turns OFF in the presence of light.
Applications
- Automatic street lights
- Light-sensitive alarms
- Energy-saving lighting systems
- Security systems
Conclusion
This project demonstrates how an LDR responds to light intensity. The circuit successfully detects darkness and can be used in various automatic lighting and sensing applications.
