Introduction
A capacitor is a passive, two-terminal electronic component widely used in electrical and electronic circuits.
The primary function of a capacitor is to store electrical energy in the form of an electric field. Depending on circuit requirements, capacitors are available in different sizes, shapes, and types. A capacitor consists of two conductive plates separated by an insulating material called a dielectric. Capacitors can be classified based on material, size, polarity, shape, and application. Based on polarity, capacitors are broadly classified into two types:
polarized capacitors and non-polarized capacitors.
What is a Non-Polarized Capacitor?
![]()
A non-polarized capacitor is a type of capacitor that does not have positive or negative polarity. Therefore, it can be connected in a circuit in any direction without risk of damage. These capacitors can replace polarized capacitors if parameters such as capacitance, operating voltage, size, and application requirements are satisfied. The symbol of a non-polarized capacitor consists of two parallel plates of equal length.
Types of Non-Polarized Capacitors
Ceramic Capacitors
![]()
Ceramic capacitors are the most commonly used non-polarized capacitors. Modern ceramic capacitors are block-shaped, replacing the older disk-shaped versions. They are widely used in low-loss and highly stable electronic circuits. Their capacitance remains almost constant with variations in frequency, voltage, and temperature. Ceramic capacitors are commonly used in RF circuits and are available in the range of 10 pF to 1 µF. However, their performance and temperature stability depend on the manufacturer.
Silver Mica Capacitors
![]()
Silver mica capacitors are constructed using mica sheets coated with metal on both sides. Multiple layers are stacked to increase capacitance, and the assembly is encapsulated in epoxy for environmental protection.
Although highly stable and temperature tolerant, silver mica capacitors are less commonly used due to their high cost. They exhibit very low dielectric leakage and typically operate in the range of 1 pF to 3000 pF. These capacitors are used in filter and oscillator circuits where high stability is required. They have voltage ratings ranging from 100 V to 10 kV and are suitable for RF transmitters, amplifiers, resonance circuits, and high-voltage inverters.
Polyester Capacitors
![]()
Polyester capacitors, also known as Mylar capacitors, use polyethylene terephthalate (PET) as the dielectric material. They are inexpensive, compact, and offer reasonable accuracy with low leakage current. Their capacitance range varies from 0.001 µF to 50 µF. These capacitors are suitable for applications where high precision is not critical. They can operate up to a temperature of 125°C with a tolerance of 5% to 10% and a maximum operating voltage of approximately 60 kV.
Polystyrene Capacitors
![]()
Polystyrene capacitors are film capacitors known for high precision and extremely low leakage. They are commonly used in applications requiring stable capacitance, such as filters and timing circuits. These capacitors operate in the range of 10 pF to 1 µF and show negligible capacitance variation up to temperatures of around 85°C.
Polycarbonate Capacitors
![]()
Polycarbonate capacitors are high-quality capacitors with excellent accuracy and very low dielectric loss. They are available in film and metallized constructions. These capacitors operate over a wide temperature range of -55°C to +125°C and have capacitance values ranging from 100 pF to 20 µF. They are ideal for timing and filtering circuits operating in harsh environments.
Polypropylene Capacitors
![]()
Polypropylene capacitors use polypropylene as the dielectric material. They are available in film-and-foil and metallized constructions, with capacitance values ranging from 100 pF to 50 µF. These capacitors have very low leakage, high accuracy, and excellent moisture resistance. They operate up to 105°C and can withstand voltages up to 400 kV. Polypropylene capacitors are used in low-power circuits such as sample-and-hold, VCO circuits, induction heating systems, AC motor run capacitors, and power factor correction applications.
Teflon Capacitors
![]()
Teflon capacitors use polytetrafluoroethylene (PTFE) as the dielectric material. They are available in foil, film, and metallized types. These capacitors offer exceptional stability, extremely low leakage, and can operate at temperatures up to 200°C. Their capacitance range is typically between 100 pF and 1 µF. Due to their high cost and large size, they are mainly used in military, aerospace, and high-end electronic equipment.
Glass Capacitors
![]()
Glass capacitors are extremely durable and suitable for harsh and abrasive environments. They provide excellent performance with very low losses. These capacitors operate in the range of 10 pF to 1000 pF and are commonly used in RF circuits where high reliability is required.
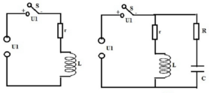
How Does a Non-Polarized Capacitor Work?
![]()
Non-polarized capacitors are commonly used in high-frequency filtering and pure AC circuits due to their low capacitance and stable characteristics. In circuits containing inductive loads, such as relays and fluorescent lamps, sparks may occur when the circuit is switched off suddenly. This is caused by the sudden collapse of the magnetic field, producing high induced voltage. An RC spark suppression circuit is used to prevent sparking. When the switch is opened, the capacitor charges and absorbs part of the energy stored in the inductor, reducing the voltage across the switch. This prevents the formation of sparks and protects the contacts from damage.
Advantages of Non-Polarized Capacitors
- Low leakage current compared to electrolytic capacitors
- Capacitance remains constant in both directions of bias
- Suitable for both AC and DC applications
- Operate efficiently at high frequencies
- Low power consumption
Disadvantages of Non-Polarized Capacitors
- High-capacitance non-polarized capacitors are expensive
- Larger size compared to polarized capacitors of same capacitance
Applications of Non-Polarized Capacitors
- Feedback, coupling, and decoupling circuits
- Oscillator and compensation circuits
- Audio circuits for bi-directional signal transfer
- AC signal processing applications
