Semiconductor for You
  • Home
  • Semiconductor News
  • Semiconductor Magazine
  • Technology
    • Automotive
    • Consumer Electronics
    • IoT
    • Lighting
    • Power Management
    • Wireless
    • Personal Electronics
    • Hardware & Software
    • Research
    • Medical Electronics
    • Embedded Design
    • Aerospace & Defence
    • Artificial Intelligence
  • Interview
  • Industries
  • Market
  • Knowledge Base
  • Events
  • Tools
    • Resistor Color Code Calculator
No Result
View All Result
  • Home
  • Semiconductor News
  • Semiconductor Magazine
  • Technology
    • Automotive
    • Consumer Electronics
    • IoT
    • Lighting
    • Power Management
    • Wireless
    • Personal Electronics
    • Hardware & Software
    • Research
    • Medical Electronics
    • Embedded Design
    • Aerospace & Defence
    • Artificial Intelligence
  • Interview
  • Industries
  • Market
  • Knowledge Base
  • Events
  • Tools
    • Resistor Color Code Calculator
No Result
View All Result
Semiconductor for You
No Result
View All Result
Home Knowledge Base

Binary Decoder: Working, Truth Table, Logic Diagram, and Applications

Komal Ganvir by Komal Ganvir
October 20, 2025
in Knowledge Base, Semiconductor News
0

Introduction

A binary decoder is a combinational logic circuit in digital electronics that converts binary information from n coded inputs into a maximum of 2n unique outputs. Binary decoders are widely used in various applications such as instruction decoding, data multiplexing and demultiplexing, seven-segment displays, and memory address decoding.

Regardless of its type or size, a decoder is an electronic circuit that uses multiple input and output signals to convert each unique combination of input states into a specific output combination. Some decoders include one or more enable inputs, which control the active state of the circuit. When the enable input is set to 0 (disabled), all decoder outputs remain inactive.

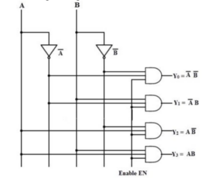
2-to-4 Binary Decoder

A 2-to-4 line binary decoder has three inputs — A0, A1, and E (Enable) — and four outputs — Y0, Y1, Y2, and Y3. When the enable input E is set to 1, one of the four outputs becomes high (logic 1) based on the binary input combination.

Block Diagram

Truth Table

Enable (E) A1 A0 Y3 Y2 Y1 Y0
0 x x 0 0 0 0
1 0 0 0 0 0 1
1 0 1 0 0 1 0
1 1 0 0 1 0 0
1 1 1 1 0 0 0

Logical Expressions

  • Y3 = E · A1 · A0
  • Y2 = E · A1 · A0′
  • Y1 = E · A1′ · A0
  • Y0 = E · A1′ · A0′

Logical Diagram

The logical diagram of a 2-to-4 decoder uses AND and NOT gates.
Each output is activated for a specific combination of binary inputs when the enable signal is high.

3-to-8 Binary Decoder

A 3-to-8 binary decoder converts three binary inputs (A, B, and C)
into eight unique outputs (Y0 to Y7).
It also includes an Enable (E) input that activates the decoder.
When E = 1, one of the eight outputs is high depending on the input combination.

Block Diagram

Truth Table

E A2 A1 A0 Output (Y0–Y7)
0 x x x All 0
1 0 0 0 Y0 = 1
1 0 0 1 Y1 = 1
1 0 1 0 Y2 = 1
1 0 1 1 Y3 = 1
1 1 0 0 Y4 = 1
1 1 0 1 Y5 = 1
1 1 1 0 Y6 = 1
1 1 1 1 Y7 = 1

Logical Expressions

  • Y0 = A0′ · A1′ · A2′
  • Y1 = A0 · A1′ · A2′
  • Y2 = A0′ · A1 · A2′
  • Y3 = A0 · A1 · A2′
  • Y4 = A0′ · A1′ · A2
  • Y5 = A0 · A1′ · A2
  • Y6 = A0′ · A1 · A2
  • Y7 = A0 · A1 · A2

Logical Expressions

This decoder can be implemented using AND and NOT gates, where only one output line is high for each binary input combination when E is active.

Applications of Binary Decoder

  • Used in analog-to-digital conversion as part of code conversion systems.
  • Helps in data distribution and signal routing in digital circuits.
  • Used to reduce decoding complexity in high-performance memory systems.
  • Acts as an address decoder in CPUs for memory location identification.
  • Converts instructions into CPU control signals in electronic circuits.
  • Used in logical circuits and data transfer applications.
  • Can be used to design adders and other basic digital circuits.
  • Used by microprocessors to select I/O devices.
  • Drives LED displays by decoding binary inputs into decimal numbers.
  • Used in memory systems to select different memory banks.
  • Activates outputs sequentially when driven by a pulsed counter input.
  • Implements switching functions efficiently using fewer ICs.

Conclusion

A binary decoder plays a crucial role in digital systems by converting binary input codes into unique output combinations. It serves as a foundation for digital logic applications, including memory addressing, control systems, and data distribution. Understanding binary decoders is essential for anyone studying or working with digital electronics.

Content Protection by DMCA.com
Tags: binary decoder
Komal Ganvir

Komal Ganvir

Browse by Category

  • Aerospace and Defence
  • Articles
  • Automotive
  • Consumer-Electronics
  • Hardware & Software
  • Interview
  • IoT
  • Knowledge Base
  • Lighting
  • Market
  • personal-electronics
  • Power Management
  • Research
  • Semiconductor Events
  • Semiconductor News
  • Technology
  • Wireless
Semiconductor for You

Semiconductor For You is a resource hub for electronics engineers and industrialist. With its blend of
technology features, news and new product information, Semiconductor For You keeps designers and
managers up to date with the fastest moving industry in the world.

Follow Us

Browse by Category

  • Aerospace and Defence
  • Articles
  • Automotive
  • Consumer-Electronics
  • Hardware & Software
  • Interview
  • IoT
  • Knowledge Base
  • Lighting
  • Market
  • personal-electronics
  • Power Management
  • Research
  • Semiconductor Events
  • Semiconductor News
  • Technology
  • Wireless

Recent News

The intelligence of any system begins with analog

The intelligence of any system begins with analog

April 24, 2026

Tropospheric Propagation: Types, Working, and Effects on Radio Communication

April 24, 2026
  • About
  • Advertise
  • Privacy & Policy
  • Contact

© 2022 Semiconductor For You

No Result
View All Result
  • Home
  • Semiconductor News
  • Technology
    • IoT
    • Wireless
    • Power Management
    • Automotive
    • Hardware & Software
  • Market
  • Interview
  • Knowledge Base
  • Tools
    • Resistor Color Code Calculator

© 2022 Semiconductor For You