What is an SWR Meter?
An SWR meter (Standing Wave Ratio meter), also known as VSWR or ISWR meter, is an instrument used to measure the standing wave ratio of a transmission line. It helps determine how efficiently radio frequency (RF) power is transmitted from the transmitter to the antenna.
![]()
The SWR meter indicates how much RF energy is reflected back toward the transmitter compared to how much is transmitted through the antenna.
Importance of SWR Meter
An SWR meter is useful for evaluating system performance. A high SWR indicates poor impedance matching, which can lead to signal loss and potential damage to the transmitter.
Standing Wave Ratio (SWR)
Standing Wave Ratio is defined as the ratio of maximum voltage to minimum voltage along a transmission line.
VSWR = Vmax / Vmin
It can also be expressed in terms of forward and reflected voltage:
VSWR = (Vfwd + Vrev) / (Vfwd – Vrev)
Another formula using reflection coefficient (Γ):
SWR = |1 + Γ| / |1 – Γ|
Standing waves occur when there is impedance mismatch between the transmission line and the load (antenna).
Working of SWR Meter
An SWR meter works using a directional coupler to measure forward and reflected power. The system samples a small amount of RF energy in both directions and converts it into DC voltage using diodes. The forward and reflected signals are compared to calculate the standing wave ratio.
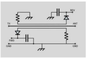
![]()
Directional SWR Meter Circuit
- Directional coupler samples RF power
- Diodes convert RF signals into DC voltage
- Capacitors smooth the output
- Meter displays SWR value
Methods to Measure SWR
There are several methods to measure SWR. One common method uses a slotted transmission line where a probe detects voltage variations along the line.
How to Use an SWR Meter
- Connect the coaxial cable from the transmitter to the SWR meter.
- Connect the antenna cable to the antenna port of the meter.
- Ensure testing is done away from surrounding objects (at least 20 feet).
- Turn on the transmitter.
- Set the meter to calibration mode.
- Switch to “REF” mode and note the reading.
- Repeat for different channels.
- Adjust the antenna for optimal performance.
Range of SWR Meter Readings
- 1.0 – 1.5: Ideal range
- 1.5 – 1.9: Acceptable but not perfect
- 2.0 – 2.4: Needs improvement
- 2.5 – 2.9: Poor performance, risk of damage
- > 3.0: Dangerous, may damage transmitter
Points to Consider While Using SWR Meter
- Ensure proper connection of antenna and transmitter ports
- Avoid operating with high SWR values
- Use the meter within its specified frequency range
- Place the meter correctly in the transmission line
Advantages of SWR Meter
- Helps optimize antenna performance
- Prevents transmitter damage
- Simple and easy to use
- Provides quick measurement of signal efficiency
Limitations of SWR Meter
- Does not directly measure impedance
- Requires proper calibration
- Accuracy depends on placement in the transmission line
Applications of SWR Meter
- Used in antenna installation and tuning
- Widely used in RF and microwave engineering
- Used in communication systems and broadcasting
- Applied in medical equipment using microwave technology
Conclusion
The SWR meter is an essential tool in RF communication systems. It helps ensure efficient power transfer between the transmitter and antenna by detecting impedance mismatches. Maintaining a low SWR value improves system performance, reduces signal loss, and protects equipment from damage.
