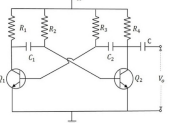
Astable Multivibrator: Construction, Working Principle, Frequency Calculation, Advantages & Applications
Introduction An astable multivibrator is a free-running oscillator that continuously alternates between two unstable states without the need for any ...
Read more