Tan Delta Test: Working Principle, Need, Modes & Very Low Frequency Testing
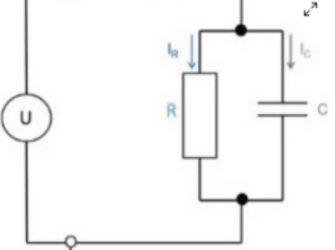
What is Tan Delta? Tan Delta, also known as Loss Angle or Dissipation Factor, is a cable diagnostic method used ...
Read moreWhat is Tan Delta? Tan Delta, also known as Loss Angle or Dissipation Factor, is a cable diagnostic method used ...
Read more© 2022 Semiconductor For You