Introduction
A flyback transformer is a special type of transformer designed to generate extremely high voltages from relatively low input voltages. It is compact, lightweight, and capable of producing output voltages as high as 20,000 volts from an input as low as 5 V, 12 V, or 230 V. Flyback transformers were originally used in Cathode Ray Tube (CRT) televisions to control the horizontal deflection of the electron beam. With advancements in power electronics, they are now widely used in switched-mode power supplies (SMPS), DC–DC converters, and high-voltage applications.
What is a Flyback Transformer?
A flyback transformer is an energy conversion device that transfers energy from the primary side to the secondary side while maintaining constant power. It operates by storing energy in the magnetic field during the switch ON period and releasing it during the switch OFF period.
![]()
Since the output voltage is delivered during the switch-off interval, it is also known as a line output transformer. The primary winding can be driven using DC pulses generated by electronic switching devices such as MOSFETs.
Design of Flyback Transformer
The design of a flyback transformer differs significantly from that of a conventional transformer. In a traditional transformer, the primary is supplied with AC voltage, and energy transfer occurs simultaneously between the primary and secondary. In a flyback transformer, the primary winding is excited by a pulsating DC voltage. The input voltage can be as low as 5 V or 12 V and is converted into pulses using a switching circuit.
![]()
The transformer core is ferrite-based and much smaller in size compared to power transformers. Flyback transformers are designed to generate high voltage but are not intended for long-distance power transmission.
Why is it Called a Flyback Transformer?
The term “flyback” originates from its early use in CRT displays. When the transformer is excited by a sawtooth waveform, the rapid de-energizing of the primary winding causes the electron beam to “fly back” from right to left on the screen. This fast discharge of stored energy results in a high-voltage pulse, which gave the transformer its name.
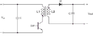
Flyback Transformer Circuit
![]()
In a typical flyback transformer circuit, the primary winding (L1) has fewer turns compared to the secondary winding (L2). A switching device (SW) converts the DC input into pulses. A diode on the secondary side ensures unidirectional current flow, while a capacitor smoothens the output voltage. The dot convention indicates additive magnetic polarity in the core.
Flyback Transformer Arc
Flyback transformers generate extremely high voltages, typically in the range of 10 kV to 20 kV. This voltage is not sinusoidal but appears as a high-energy arc. When two conductive objects are placed close together, the air between them becomes ionized, resulting in a visible arc. This phenomenon is similar to corona discharge or arc formation in circuit breakers.
Flyback Transformer Windings
The secondary winding has significantly more turns than the primary winding to achieve high voltage amplification. Copper wire is commonly used for winding. The windings are insulated using materials such as mica or paper insulation. Unlike conventional transformers, flyback transformers do not use oil for cooling or insulation.
How to Test a Flyback Transformer?
Flyback transformers can be tested using a line-operated transformer tester or a multimeter.
- Open winding shows very high impedance
- Shorted winding shows very low impedance
- Faulty capacitor produces noise or unstable output
- Shorted capacitor results in no display or blinking power indicator
Common faults include winding short circuits, core cracks, insulation failure, and external arcing.
Working Principle of Flyback Transformer
When the primary winding is energized with a pulsating DC voltage, current ramps up and energy is stored in the transformer core. When the switching device turns OFF, the stored energy is transferred to the secondary
![]()
winding, producing a high-voltage pulse. The secondary diode blocks reverse current, ensuring energy flows only toward the load. Depending on the waveform and duty cycle, the transformer can operate in either continuous or discontinuous mode.
Construction
A flyback transformer consists of a primary winding, secondary winding, ferrite core, and rectifying circuit. The windings are tightly coupled to minimize leakage inductance. The magnetic circuit is additive in nature, allowing the transformer to handle high voltages while operating at low power levels.
Applications of Flyback Transformer
- CRT televisions and monitors
- Switched-mode power supplies (SMPS)
- DC–DC converters
- Battery charging circuits
- Telecommunication systems
- Solar power applications
Due to their high voltage capability, compact size, and efficiency, flyback transformers are widely used in modern electronic power systems.
