Flex Sensor : Working and Its Applications
Flex sensor typically come in two sizes. One is 2.2 inches long and the other is 4.5 inches long. Despite...
Flex sensor typically come in two sizes. One is 2.2 inches long and the other is 4.5 inches long. Despite...
Opening and closing doors have always been a tedious task, especially in places where a person is constantly needed to...
The KSP2222A is an equivalent and direct replacement for the 2N2222A transistor. It is an NPN bipolar general-purpose transistor utilized...
It functions essentially as a rapid switching diode. The functioning of switching diodes, which are typically single P-N diodes, is...
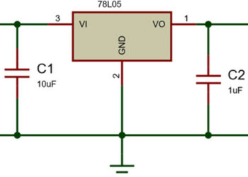
The LM78L05 is a 5 V fixed three-terminal positive voltage regulator with internal current limiting and thermal shutdown that makes...
Because the MPSA42 is an NPN transistor, the collector and emitter will be open (reverse biased) when the base pin...
A diode is a two-terminal component that allows current to flow in only one direction, from the anode to the...
The TL431 Regulator is a shunt voltage regulator IC with adjustable precision. The output voltage can be programmed by changing...
The LM4558 is a type of integrated circuit that contains dual high-gain op-amps. This integrated circuit belongs to the LMxx...
A Zener Diode, also known as a breakdown diode, is a heavily doped semiconductor device that operates in reverse. When...
© 2022 Semiconductor For You